商品を検索

商品分類から選ぶ

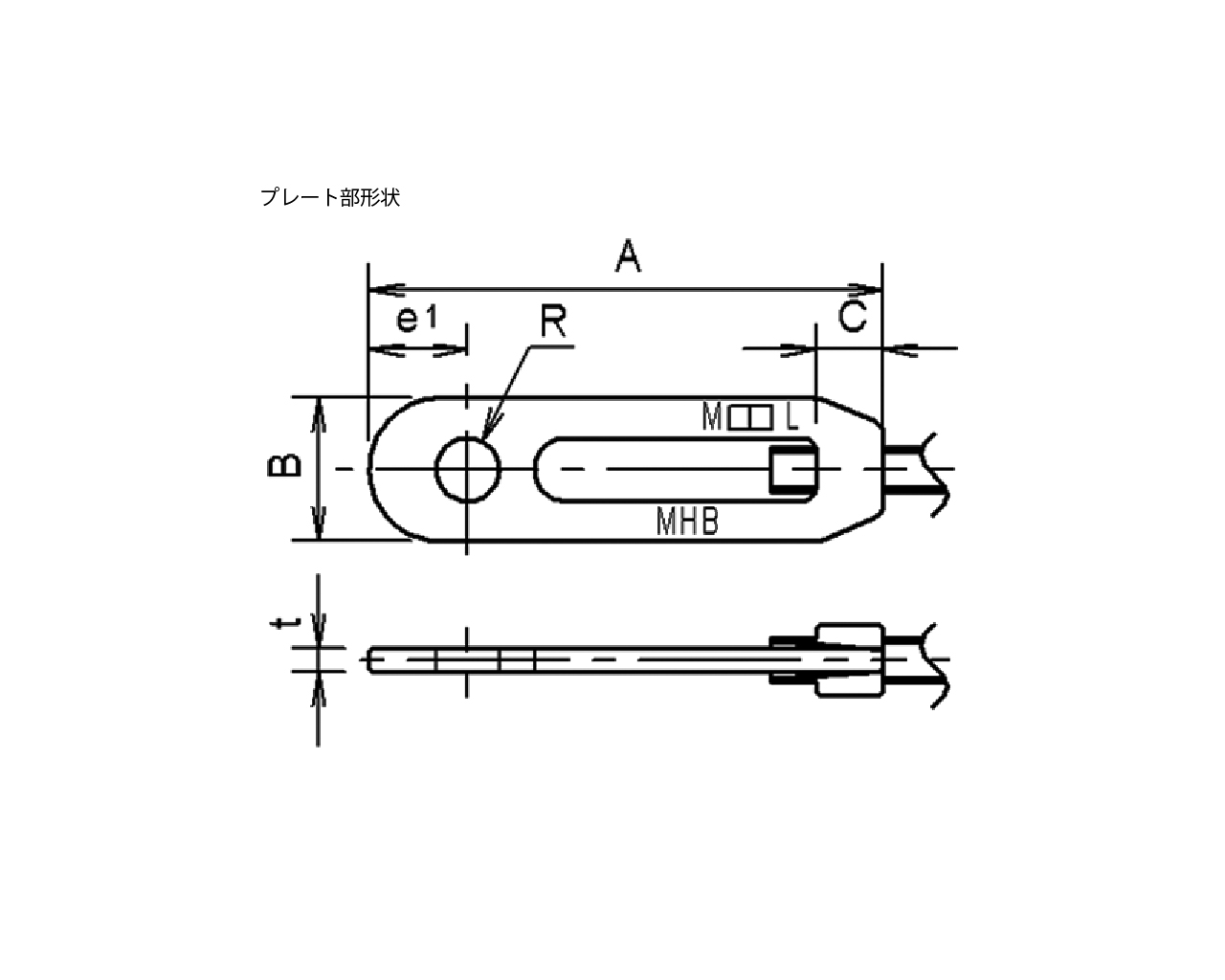
コンパクトブレース

商品コード:
コンパクトブレース_thume1 コンパクトブレース_thume2 コンパクトブレース_thume3

資料ダウンロード

COMPACT BRACE


コンパクトブレースの3大特徴


①中央に枠がないため、非常にスマートです。
②左右両対象の構造により取付方向がなく、枠式に比べ取付時間が大幅に短縮できます。
③溶接工程がないため、強度が平均化しており、安全です。

※コンパクトブレースはJIS規格品、大臣認定品ではございません。