商品を検索
カテゴリーから選ぶ
基礎部材
柱脚工法
ピース類
柱・梁ジョイント関係
現場安全金物
階段ステップ・床用部材
鋼材加工
ブレース
テンションロッド
ターンバックル、シャックル類
溶接材料
裏当金
タブ
パイプ用溶接部品
溶接用金物
レール部品
門扉用金物
ボルト
六角ボルトナット セット済
特殊ボルト
ナット
ワッシャー
小ねじ
ハイテンションボルト
FabNaviのご案内
FabNavi(ファブナビ)とは
ニュース
カタログダウンロード
お問い合わせ
その他
サイト利用規約
個人情報保護方針
会社概要
閉じる
総合カタログダウンロード
FabNavi(ファブナビ)とは
ニュース
カタログダウンロード
お問い合わせ
TOP
ボルト
六角ボルト
六角ボルト半ネジ
商品を検索
商品分類から選ぶ
ブレース
JIS丸鋼ブレース
JIS規格外 丸鋼ブレース
コンパクトブレース
木造向けブレース
ブレース用ガセットプレート
ブレース部品
基礎部材
アンカーボルト
ベースプレート
テンプレート
JISアンカーボルト用定着板
親子フィラー
あと施工 アンカー
頭付きスタッド
柱脚工法
弾性柱脚工法
固定柱脚工法
ピース類
自立型ピース(プレス成型品)
ピース(プレス成型品)
ピース(リブ付きアングル材)
ピース(アングル材)
T型ピース
吊ピース
ハイステージ受ピース
建直ピース
バックプレート
デッキ受け
柱・梁ジョイント関係
ハイスキップ構法
スプライスプレート
絞りコラム
鉄骨梁貫通孔補強工法
コラム現場無溶接工法
現場安全金物
スプライス用蝶番
手摺用サヤ管
割矢
丸鋼曲げ
昇降タラップ
階段ステップ・床用部材
鋼材加工
鋼材曲加工
丸鋼加工
テンションロッド
ターンバックル、シャックル類
ターンバックル胴
ターンバックル用部品
シャックル
ワイヤークリップ
溶接材料
半自動溶接ソリッドワイヤー 490N/mm2級
半自動溶接ソリッドワイヤー 550N/mm2級
ロボット溶接用ソリッドワイヤー 550N/mm2級
被覆アーク溶接棒 ライムチタニア系
TIG溶接棒
ガスシールドアーク半自動溶接フラックスワイヤー
ガウジングカーボン(直流用) SUNOX
裏当金
コラム用裏当
丸パイプ用裏当
H型鋼用裏当
コラム用裏当スリット付き
H型鋼用裏当ノンスカラップ用
タブ
スチールタブ
セラミックタブ フルサト製
セラミックタブ SUNOX製
パイプ用溶接部品
突合せ溶接継手
差込溶接フランジ
鏡板用キャップ
溶接用金物
半球キャップ
半球スリット
鋼球
平キャップ
パレット脚
レール部品
レールフックボルト
ペーシ・モール
レールクリップ
SS式レール締結装置
門扉用金物
溶接丁番
門落とし
ひじ坪
重量戸車
ボルト
六角ボルト
六角ボルトナット セット済
六角ボルト・ナットセット済 Mネジ
六角ボルト・ナットセット済 Wネジ
特殊ボルト
母屋・胴縁ボルト
寸切ボルト
ケミカルアンカー用 寸切ボルト
ハック高力ワンサイドボルト
HugBolt(ハグボルト)
アイボルト
Uボルト
コ字ボルト
D-LOCK(ドーブチロック)
ナット
六角ナット
六角高ナット
ゆるみ止めナット
アイナット
ワッシャー
平丸ワッシャー
スプリングワッシャー
角ワッシャー
テーパーワッシャー
小ねじ
(―)すり割り付き小ねじ
(十)字穴付き小ねじ
座金組込ネジ
ハイテンションボルト
六角ハイテンションボルト F10T フルサト製
トルシア形ハイテンションボルト S10T
六角ハイテンションボルト F10T
溶融亜鉛メッキハイテンションボルト F8T
超高力ボルト(スーパーハイテンションボルト)
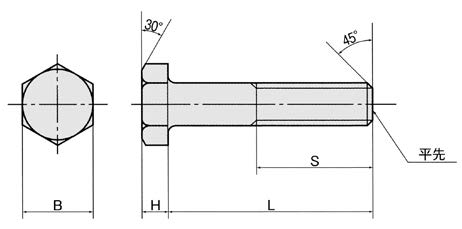
六角ボルト半ネジ Mネジ(中ボルト)
商品コード:0272
資料ダウンロード
サイズ表
商品情報
この商品について問い合わせる